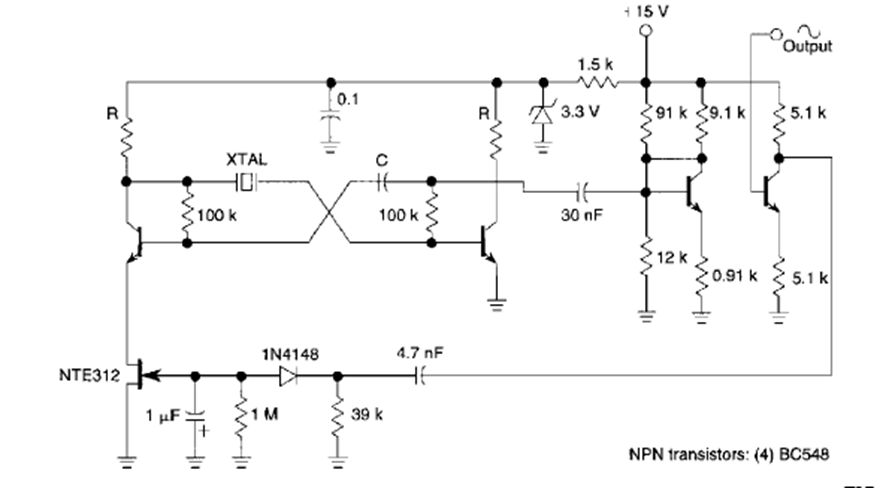
This low frequency oscillator circuit was found in an Electronic Design from the 90s. The transistors are common types, and the frequency is given by the crystal.
We found this setting in the National Semiconductor Linear Applications Handbook. The base is an...
This conventional flip-flop configuration with two transistors was found in documentation from the...
This circuit is intended to monitor the flame of gas heating systems that must always have a small...