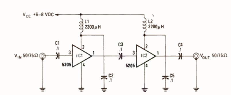
Using the NE5205 integrated circuit this circuit was found in the May 1987 issue of Radio Electronics magazine. It can amplify signals up to 450MHz.
The critical component of this project from a 1988 publication is the transformer. The final power...
This circuit was found in an American telecommunications documentation from the 1980s. The circuit...
This circuit was obtained in a QST magazine from the 90s. The circuit makes use of components that are...