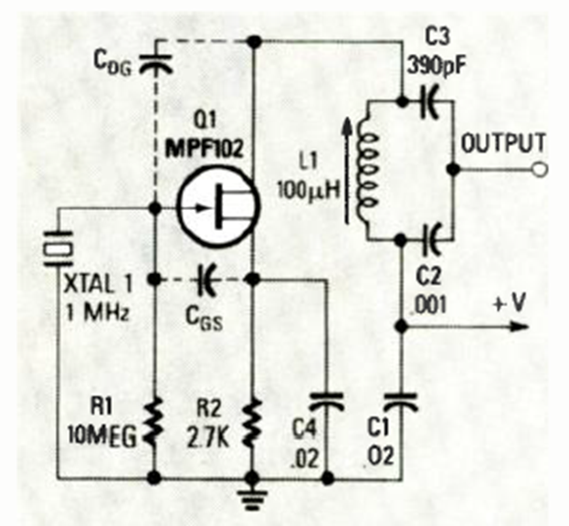
This oscillator was found in the November 1986 issue of Radio Electronics magazine. The frequency depends on the crystal and can reach several megahertz. The transistor supports equivalents.

This oscillator was found in the November 1986 issue of Radio Electronics magazine. The frequency depends on the crystal and can reach several megahertz. The transistor supports equivalents.
