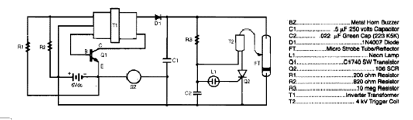
Found in the Encyclopedia of Electronic Circuits volume 5 from 1995, this circuit uses a transformer. The circuit feeds a transformer that produces 200 V for a xenon lamp.
This circuit uses an old National Semiconductor operational amplifier, but it can be implemented with...
In this circuit the regulation is made from a circuit in the LED cathode. The configuration is...
For the component values used in thisf this circuit, the frequency can be adjusted between 740 Hz and...