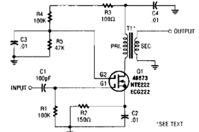
This boost amplifier was found in a Popular Electroniics from the 90s. The circuit operates up to 20 MHz depending on the coils used.
Found in documentation from the 90s, this circuit is based on operational amplifiers of the time....
This oscillator, which can be used as a signal injector, was found in a Popular Electronics from the 90s....
This traditional oscillator uses two complementary transistors to produce low frequency signals....