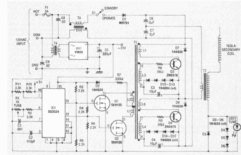
This circuit is one of many that we have in our section. It was taken from the Electronics Experimenter Handbook magazine from 1993. L1 has 10 turns and L2 has 1,000 turns in a 1 to 2-inch PVC or cardboard tube.
This circuit is one of many that we have in our section. It was taken from the Electronics Experimenter Handbook magazine from 1993. L1 has 10 turns and L2 has 1,000 turns in a 1 to 2-inch PVC or cardboard tube.