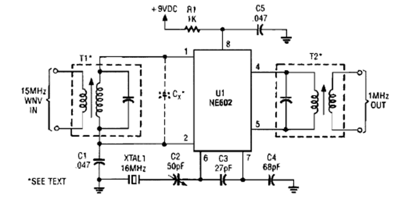
This converter for WWV time reference station signals was found at Popular Electronics. The 15 MHz signals are now received on a medium wave radio at 1 MHz.
This circuit was found in the ON Semiconductor thyristor manual of the 1980s. As the drive is done by...
This simple preamplifier was published in Radio Electronics magazine in February 1958. The battery...
This circuit can use 20 to 100 mA relays with a general-purpose transistor such as the BC538. The...