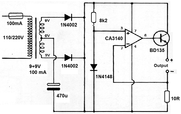
This charger for currents up to 100 mA was found in a 1980 publication. The transistor could be the BD135 or equivalent, and should be fitted with a small heatsink. The diodes can be 1N4002 or equivalent. The resistor R2 determines the load current and can be changed depending on the type of battery to be recharged.




