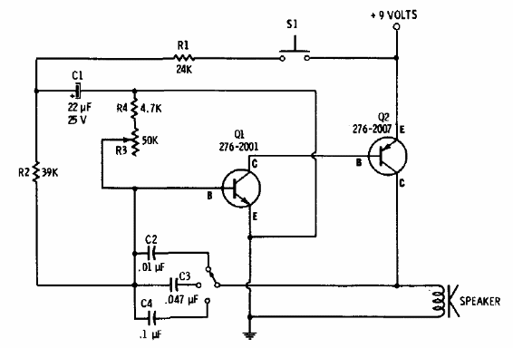
This circuit was published in a 1977 Radio Shack catalog. The PNP transistor may be BD135 and NPN or BC548. The circuit can be powered by voltages from 6 to 12 V. The loudspeaker is 8 ohm and the adjustment potentiometer can be 470 k.

This circuit was published in a 1977 Radio Shack catalog. The PNP transistor may be BD135 and NPN or BC548. The circuit can be powered by voltages from 6 to 12 V. The loudspeaker is 8 ohm and the adjustment potentiometer can be 470 k.
