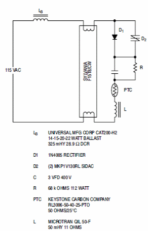
In the figure we have an application of ON Semiconductor's own semiconductor manual from the 80's. The component values are given along with the diagram. The circuit is for the 110 V mains. but can be adapted to 220V network.

In the figure we have an application of ON Semiconductor's own semiconductor manual from the 80's. The component values are given along with the diagram. The circuit is for the 110 V mains. but can be adapted to 220V network.
