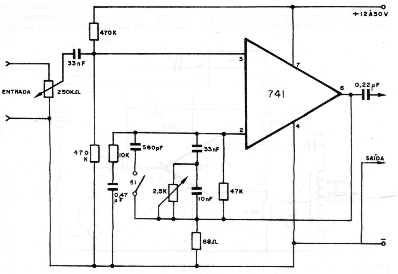
The circuit shown uses the 741 operational amplifier, but lower noise and higher gain equivalents may be used. Power consumption is low and power can come either from batteries or from the amplifier itself with which it will work. The circuit incorporates a tone control.




