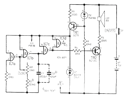
I found this circuit in an English magazine from July 1982. The circuit is still viable by using TR1 one BC558 and TR2 one BC548 or BC549. The instrument sound is obtained by modulating the circuit through P1 and pressing S1. The capacitor connected with dotted lines is for a more serious tone.




