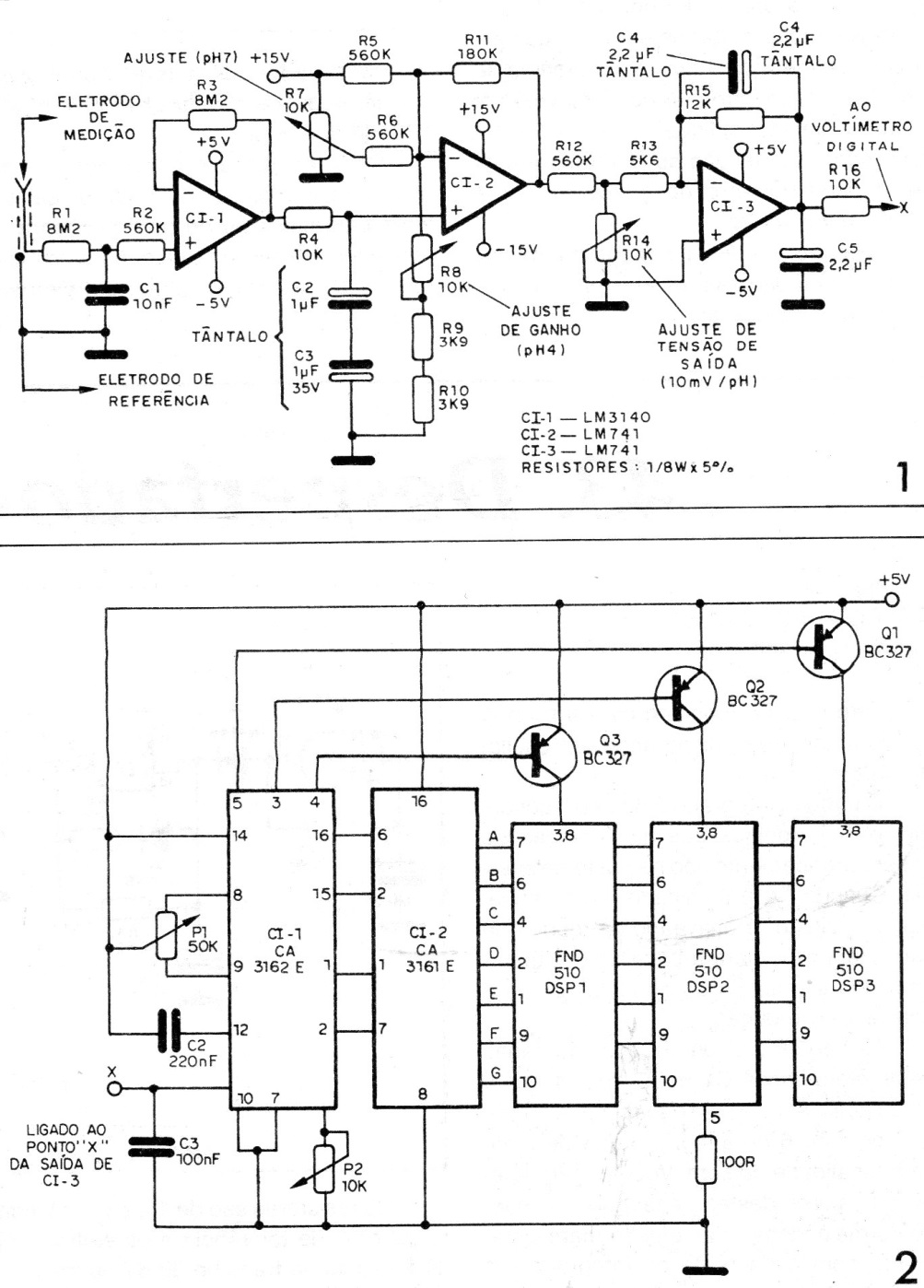
This 1989 documentation circuit uses a digital display with components that are uncommon today, but adaptations can be made to employ a more modern solution, including microcontrolled. The circuit requires the use of special electrodes for this purpose, the type employed in professional meters. The power supply must be symmetrical.




