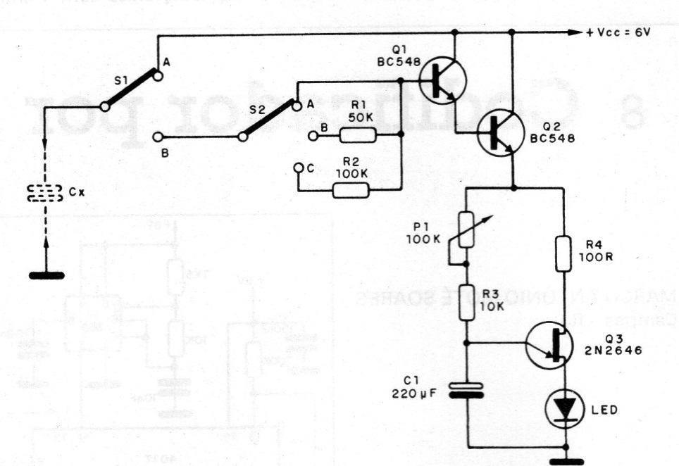
This simple capacitor tester can be used for electrolytes from 1 uF. In one position of S1 the capacitor under test charges and in the other position it discharges for a time depending on the selection of S2. The time is monitored by flashing LEDs whose frequency is set to P1. For this time, with reference capacitors we can determine the value of the capacitor under test.




