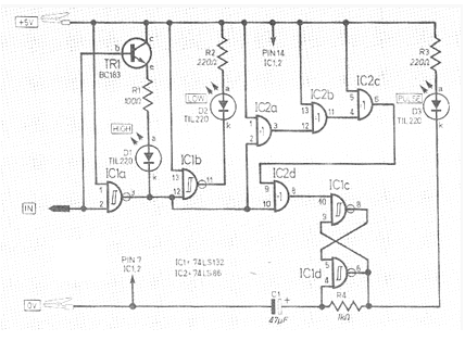
We found this circuit in an English magazine from 1980. The circuit can be easily assembled even today by simply using a BC548 instead of the only transistor indicated. The other components are common and the circuit is TTL and must be supplied with 5 V of the equipment under test.




