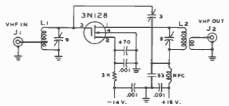
This MOSFET amplifier operating in the VHF range was found in an old American telecommunications documentation. The tuned circuits are for the operating frequency.

This MOSFET amplifier operating in the VHF range was found in an old American telecommunications documentation. The tuned circuits are for the operating frequency.
