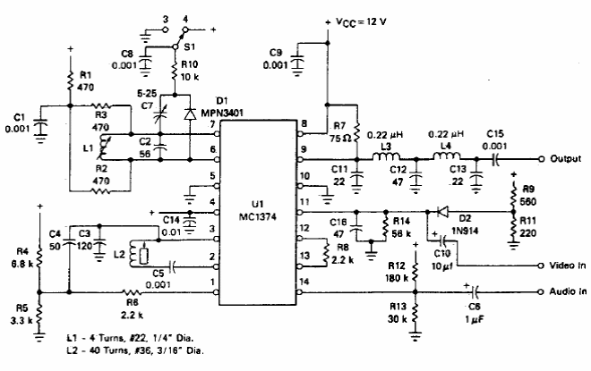
This analog TV circuit can be used on a small transmitter. The circuit is from an 80's American documentation, using an integrated of the time. Care must be taken with the power source to avoid problems with the generated composite video signal.
This analog TV circuit can be used on a small transmitter. The circuit is from an 80's American documentation, using an integrated of the time. Care must be taken with the power source to avoid problems with the generated composite video signal.