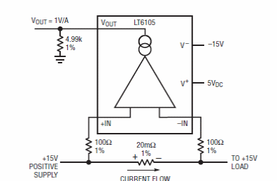
This circuit monitors the current in the negative line. The circuit is from a 2005 Linear Technology application manual. The circuit is for 15V lines. The component used is the LT6105.

This circuit monitors the current in the negative line. The circuit is from a 2005 Linear Technology application manual. The circuit is for 15V lines. The component used is the LT6105.
