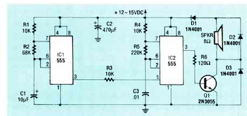
We found this alarm circuit in a Radio Electronics magazine from July 1990. The power transistor must be equipped with a heat sink.
This circuit shows how to use the remaining gates of a 4093 or 74C14 as amplifiers. The circuit has...
November 2016 - The TL3780 ultra-miniature E-switch touch switches can now be obtained from Mouser...
This circuit is powered by 1.5 V and has a long lifespan as it consumes only 320 uA. The circuit is...