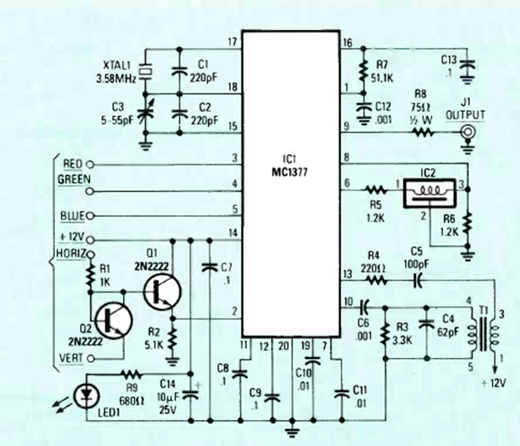
This circuit may be of interest to restorers of old video equipment. We found it in the Radio Electronics magazine of December 1989.
Found in a 1963 documentation, this circuit employs germanium transistors of the time. Transformer and...
In the figure we have a way of receiving ultrasonic signals of a single frequency using a PLL 567....
This traditional circuit generates a 200 Hz sinusoidal signal. The frequency depends on the...