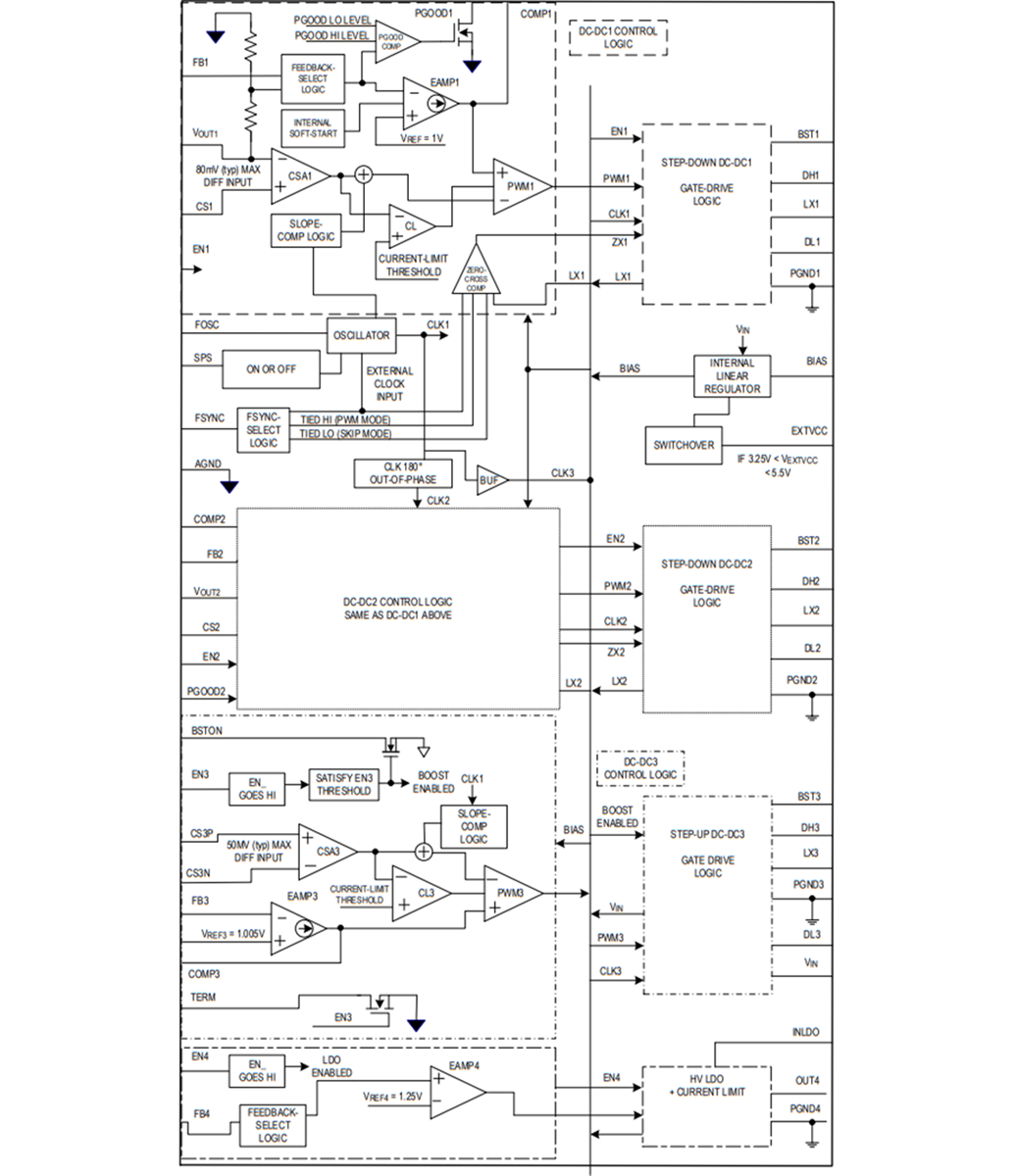
MAXIM MAX20030 1 automotive step down controllers
Operating at a frequency of up to 2.2 MHz, these dual Maxim controllers are available from Mouser Electronics. The devices operate with input voltages from 3.2 V to 41 V and are of the LDO type with 3.3 V output.




