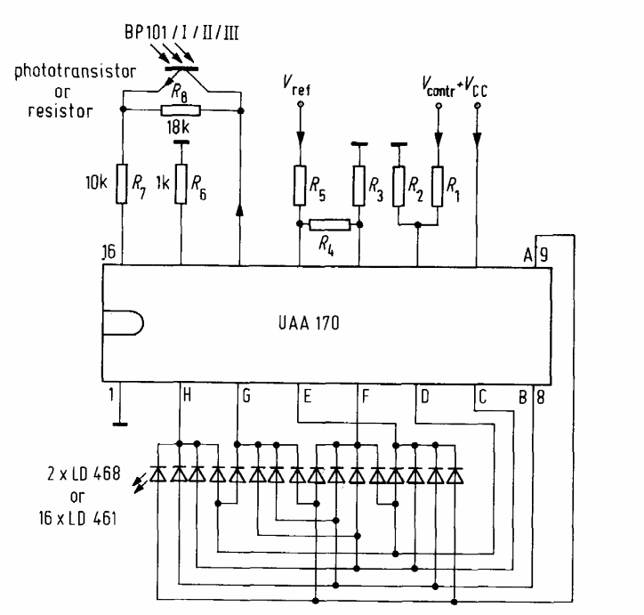
This UAA170 application circuit was taken from Siemens' own integrated circuits manual from 1976. The maximum supply voltage is 18 V.
This amplifier for distributing audio signals appears in other articles on this website and even...
This circuit was found in a 1964 MOSFET applications manual. The circuit uses period general...
This circuit works only with incandescent lamps, timing its activation at intervals that depend on C1....