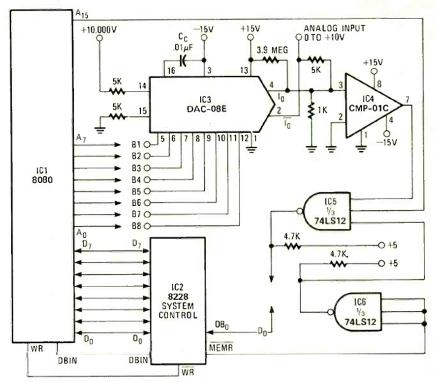
The figure shows how to use an 8080 in a digital to analog converter. The circuit is from a Radio Electronics from February 1978. The other components are from that time, except for the TTL.
This circuit was obtained from Signetics documentation from the 80's. The components used are from...
The configuration presented below was obtained in the Linear Application Handbook of the National...
This circuit can be designed with ease today, as its components are common. We found it in old...