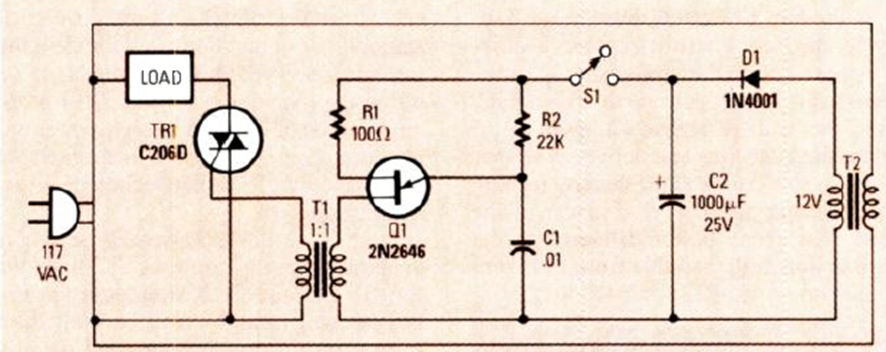
This circuit is one of many of its kind that can be found on this site. This one is from a September 1987 Radio Electronics. The triac must be controlled according to the load.
In the figure we have a stereo decoder from the 70's with pilot lamp for signal indication. The...
This circuit was found in an Elektor from the 90s. It makes use of digital CMOS integrated devices...
We found this mains-powered switch circuit in Electronics Now magazine from July 1994. It could be...