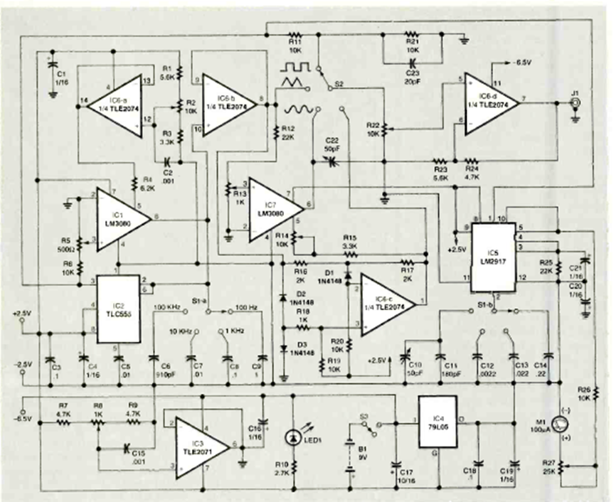
This circuit was found in the August 1997 Electronics Now magazine. The circuit uses well-known operational codes and generates signals up to 20 kHz.
In the figure we have a stereo decoder from the 70's with pilot lamp for signal indication. The...
This circuit was found in an Elektor from the 90s. It makes use of digital CMOS integrated devices...
We found this mains-powered switch circuit in Electronics Now magazine from July 1994. It could be...